+86-0523-83274900
Storz Snáithithe Snáithín Scaoilte

Storz Snáithithe Snáithín Scaoilte

Baineann an cúpláil snáithithe Storz leis an tsraith cúplála Storz, le ceann amháin ina bhfuil an snáithe inmheánach nó seachtrach agus an ceann eile ag a Cúpláil de chineál Claw.
Úsáidtear an cúpláil seo Ceangail píobáin dóiteáin agus trealamh comhraic dóiteáin (mar chaidéil dóiteáin, píobáin dóiteáin, agus hiodraint dóiteáin).
An raon do Is é táirgeadh méid beag ná 20-65. $ $

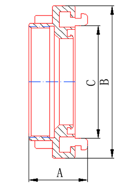
Toisí Caisiún

Mír uimh.

DIN/MM

Dial Dia

A/mm

B/mm

C/mm

KY-M

KY-F

25

1 "

39.7

55

31

40

1.5 "

39.5

79

52

50

2 "

52

98

66

65

2.5 "

52

118

81

80

3 "

55

126

89

100

4 "

60

156

115

110

大 4 "

63

182

133

125

5 "

66

196

148

150

6 "

80

215

160

* Is féidir próisis ábhair agus monaraíochta a oiriúnú ach iad a iarraidh.
* Is féidir riachtanais eile (mar bhrú oibre, brú pléasctha, etc.) a shaincheapadh de réir mar is gá. $ $

Jiangsu jinding Teicneolaíocht Cosanta Dóiteáin, Ltd.
Bunaíodh Jiangsu Jinding Teicneolaíocht um Chosaint Dóiteáin, Ltd, atá lonnaithe i gCrios Forbartha Eacnamaíochta Jiang Su Xinghua, i 1998. Is cuideachta thionsclaíoch í a chomhtháthaíonn dearadh, forbairt, táirgeadh agus díolacháin. Tá deimhniú deimhniúcháin agus deimhniú deonach táirgí ISO9001: 2015 agus deimhniú deonach táirgí ISO9001: 2015, agus tá tuarascáil chigireachta faighte ag an Ionad Maoirseachta agus Cigireachta Cáilíochta Trealamh Dóiteáin Náisiúnta.
Déanaimid sraitheanna táirgí éagsúla a mhonarú den chuid is mó, lena n-áirítear cúpláin chomhrac dóiteáin, soic uisce, hiodrant dóiteáin, cúpláin píopaí trastomhais mhóir, agus cúpláin soláthair uisce réimse ola. Úsáidtear na táirgí seo go forleathan i gcosaint dóiteáin, i dtionscail peitriliam, ceimiceacha, míleata agus tionscail eile..
Tá cumas maith neamhspleách T&F ag an gcuideachta agus tá sraith iomlán próiseas táirgthe aici mar dhéantúsaíocht mhúnla, próiseáil táirgthe agus tástáil táirgí. Ag an am céanna, cuireann an fiontar tábhacht le riachtanais na gcustaiméirí, tuigeann go tráthúil dinimic an mhargaidh, forbraíonn agus táirgeann sé táirgí nua go leanúnach, agus buaileann sé muinín agus moladh custaiméirí nua agus seanchustaiméirí.
Seachadann an chuideachta iontaofa Storz Snáithithe Snáithín Scaoilte agus seirbhísí gairmiúla bunaithe ar thiomantas cáilíochta agus ar chomhpháirtíochtaí comhoibríocha, ag iarraidh caidrimh chomhoibríocha inbhuanaithe a thógáil le cliaint.
27+

27 bliain de thionscal Taithí déantúsaíochta

Teastais
Scéal
Déanaimis comhrá
Just a rá hello agus tosóimid comhoibriú torthúil. Tosaigh do scéal ratha féin.
Trealamh de dhíth ar do ghnó?
Lig dár bhfoireann réitigh saincheaptha a sholáthar duit.