+86-0523-83274900
Cúpláin Adapter Storz - Machino fireann
Áit / Toradh / Cuibheoirí / Cúpláin Adapter Storz - Machino fireann

Cúpláin Adapter Storz - Machino fireann

Úsáidtear cúpláin adapter chun nascadh nó tiontú idir caighdeáin éagsúla agus cineálacha feistis. Ceadaíonn siad comhéadain neamh -chomhoiriúnacha ar shlí eile a nascadh lena chéile gan uaim.

Cuimsíonn cúpláin adapter, ach níl siad teoranta do: Gearmáinis go Storz (fireann/baineann), Gearmáinis go foraoiseacht, Gearmáinis go féin-ghlasáil Ghearmáinis, Gearmáinis go flange, Gearmáinis go dtí an t-ilfhuinneog, Storz fireann go Storz baineann, Storz go foraoiseacht, etc.
Is féidir gach cineál cúplála cuibheoir a oiriúnú ach é a iarraidh. $ $

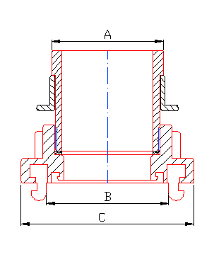
Toisí Caisiún

Mír uimh.

DIN/MM

Dial Dia

A/mm

B/mm

C/mm

/

25/40

1 "/1.5" "

29

53

82

25/50

1 "/2"

29

66

98

25/65

1 "/2.5" "

29

76

110

25/80

1 "/3"

29

89

126

40/40

1.5 "/1.5"

43.6

53

82

40/50

1.5 "/2"

43.6

66

98

40/65

1.5 "/2.5"

43.6

76

110

40/80

1.5 "/3"

43.6

89

126

50/50

2 "/2"

55.6

66

98

50/65

2 "/2.5"

55.6

76

110

50/80

2 "/3“

55.6

89

126

65/65

2.5 "/2.5"

68.5

76

110

65/80

2.5 "/3"

68.5

89

126

80/80

3 "/3"

81.5

89

126

* Is féidir próisis ábhair agus monaraíochta a oiriúnú ach iad a iarraidh.
* Is féidir riachtanais eile (mar bhrú oibre, brú pléasctha, etc.) a shaincheapadh de réir mar is gá. $ $

Jiangsu jinding Teicneolaíocht Cosanta Dóiteáin, Ltd.
Bunaíodh Jiangsu Jinding Teicneolaíocht um Chosaint Dóiteáin, Ltd, atá lonnaithe i gCrios Forbartha Eacnamaíochta Jiang Su Xinghua, i 1998. Is cuideachta thionsclaíoch í a chomhtháthaíonn dearadh, forbairt, táirgeadh agus díolacháin. Tá deimhniú deimhniúcháin agus deimhniú deonach táirgí ISO9001: 2015 agus deimhniú deonach táirgí ISO9001: 2015, agus tá tuarascáil chigireachta faighte ag an Ionad Maoirseachta agus Cigireachta Cáilíochta Trealamh Dóiteáin Náisiúnta.
Déanaimid sraitheanna táirgí éagsúla a mhonarú den chuid is mó, lena n-áirítear cúpláin chomhrac dóiteáin, soic uisce, hiodrant dóiteáin, cúpláin píopaí trastomhais mhóir, agus cúpláin soláthair uisce réimse ola. Úsáidtear na táirgí seo go forleathan i gcosaint dóiteáin, i dtionscail peitriliam, ceimiceacha, míleata agus tionscail eile..
Tá cumas maith neamhspleách T&F ag an gcuideachta agus tá sraith iomlán próiseas táirgthe aici mar dhéantúsaíocht mhúnla, próiseáil táirgthe agus tástáil táirgí. Ag an am céanna, cuireann an fiontar tábhacht le riachtanais na gcustaiméirí, tuigeann go tráthúil dinimic an mhargaidh, forbraíonn agus táirgeann sé táirgí nua go leanúnach, agus buaileann sé muinín agus moladh custaiméirí nua agus seanchustaiméirí.
Seachadann an chuideachta iontaofa Cúpláin Adapter Storz - Machino fireann agus seirbhísí gairmiúla bunaithe ar thiomantas cáilíochta agus ar chomhpháirtíochtaí comhoibríocha, ag iarraidh caidrimh chomhoibríocha inbhuanaithe a thógáil le cliaint.
27+

27 bliain de thionscal Taithí déantúsaíochta

Teastais
Scéal
Déanaimis comhrá
Just a rá hello agus tosóimid comhoibriú torthúil. Tosaigh do scéal ratha féin.
Trealamh de dhíth ar do ghnó?
Lig dár bhfoireann réitigh saincheaptha a sholáthar duit.